漏电保护器的工作原理:

漏电保护装置图
在了解触电保护器的主要原理前,有必要先了解一下什么是触电。触电指的是电流通过人体而引起的伤害。当人手触摸电线并形成一个电流回路的时候,人身上就有电流通过;当电流的大小足够大的时候,就能够被人感觉到以至于形成危害。当触电已经发生的时候,就要求在最短的时间内切除电流,比如说,如果通过人的电流是50毫安的时候,就要求在1秒内切断电流,如果是500毫安的电流通过人体,那么时间限制是0.1 秒。
如图是简单的漏电保护装置的原理图。从图中可以看到漏电保护装置安装在电源线进户处,也就是电度表的附近,接在电度表的输出端即用户端侧。图中把所有的家用电器用一个电阻RL替代,用RN替代接触者的人体电阻。
图中的CT表示“电流互感器”,它是利用互感原理测量交流电流用的,所以叫“互感器”,实际上是一个变压器。它的原边线圈是进户的交流线,把两根线当作一根线并起来构成原边线圈。副边线圈则接到“舌簧继电器”SH的线圈上。
所谓的“舌簧继电器”就是在舌簧管外面绕上线圈,当线圈里通电的时候,电流产生的磁场使得舌簧管里面的簧片电极吸合,来接通外电路。线圈断电后簧片释放,外电路断开。总而言之,这是一个小巧的继电器。
原理图中开关DZ不是普通的开关,它是一个带有弹簧的开关,当人克服弹簧力把它合上以后,要用特殊的钩子扣住它才能够保证处于通的状态;否则一松手就又断了。
舌簧继电器的簧片电极接在“脱扣线圈”TQ电路里。脱扣线圈是个电磁铁的线圈,通过电流就产生吸引力,这个吸引力足以使上面说的钩子解脱,使得DZ立刻断开。因为DZ就串在用户总电线的火线上,所以脱了扣就断了电,触电的人就得救了。
不过,漏电保护器之所以可以保护人,首先它要“意识”到人触了电。那么漏电保护器是怎样知道人触电了呢?从图中可以看出,如果没有触电的话,电源来的两根线里的电流肯定在任何时刻都是一样大的,方向相反。因此CT的原边线圈里的磁通完全地消失,副边线圈没有输出。如果有人触电,相当于火线上有经过电阻,这样就能够连锁导致副边上有电流输出,这个输出就能够使得SH的触电吸合,从而使脱扣线圈得电,把钩子吸开,开关DZ断开,从而起到了保护的作用。
值得注意的是,一旦脱了扣,即使脱扣线圈TQ里的电流消失也不会自行把DZ重新接通。因为没人帮它合上是无法恢复供电的。触电者离开,经检查无隐患后想再用电,需把DZ合上使其重新扣住,便恢复了供电。
以上就是触电保护器的主要原理,但是就是有了触电保护器,也不能认为是万无一失了,用电依然应该注意安全。
1、由图可以看到,当电路工作正常时,由电流定理知道从网络一端流进和流出的电流为0,所以在漏电保护器右侧的电流总和应为0,即I1+I2+I3+IN=0;因此漏电保护器不会工作。注意,电流的实际方向依实际电路而定,在本例中,IN的方向与I1,I2,I3相反。
2、当设备外壳漏电并有人接触时,这时就会有一部分电流IK经过人体流入地下,从而使漏电保护器右侧的电流总和为不0,也就是说I1+I2+I3+IN≠0,当漏电电流达到漏电保护器的动作电流时,漏电保护器就会动作,从而关闭电源,从而达到漏电保护的目的。
注意以下两点
1、经过漏电保护器的中性线不得作为保护线,由上图可知,当产生漏电电流时,漏电电流IK1经设备外壳又流回了漏电保护器,这时漏电保护器右侧的电流总和仍为0,因此漏电保护器不会动作,因此达不到漏电保护的目的。
2、经过漏电保护器的工作零线不得重复接地,由上图可知,若重复接地,则由于大地会分走一部分电流,这样会使漏电保护器右侧的电流总和不为0,从而使漏电保护器关闭,因而会无法使用其他电器设备。
3、说明:本示例图只是为了讲解漏电保护器的工作原理,实际漏电保护器怎么连接,应根据系统使用的接零保护系统来决定。
开关原理图

漏电保护器开关原理图
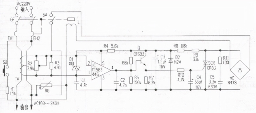
图中L为电磁铁线圈,漏电时可驱动闸刀开关K1断开,每个桥臂用两只1N4007串联可提高耐压。R3、R4阻值很大,所以K1合上时,流经L的电流很小,不足以造成K1断开。R3、R4为可控硅T1、T2的均压电阻,可以降低对可控硅的耐压要求。K2为试验按钮,起模拟漏电的作用。按压试验按钮K2,K2接通,相当于外线火线对地有漏电,这样,穿过磁环的三相电源线和零线的电流的矢量和不为零,磁环上的检测线圈的a、b两端就有感应电压输出,此电压立即触发T2导通。由于C2预先有一定电压,T2导通后,C2便经R6、R5、T2放电,使R5上产生电压触发T1导通。T1、T2导通后,流经L的电流增大,使电磁铁动作,驱动开关K1断开,试验按钮的作用是随时可检查本装置功能是否完好。用电设备漏电引起电磁铁动作的原理与此相同。R1为压敏电阻,起过压保护作用。
该断路器原理简单,零件少,维修方便,在更换零件时要注意零件的可靠性和参数应符合要求。
装设范围
1992 年国家技术监督局发布的国标GB13955-1992《漏电保护器安装和运行》, 对全国城乡装设漏电保护器做出统一规定。
2.1 必须装漏电保护器(漏电开关) 的设备和场所
(1) 属于I类的移动式电气设备及手持式电动工具(I类电气产品,即产品的防电击保护不仅依靠设备的基本绝缘,而且还包含一个附加的安全预防措施, 如产品外壳接地) ;
(2) 安装在潮湿、强腐蚀性等恶劣场所的电气设备;
(3) 建筑施工工地的电气施工机械设备;
(4) 暂设临时用电的电器设备;
(5) 宾馆、饭店及招待所的客房内插座回路;
(6) 机关、学校、企业、住宅等建筑物内的插座回路;
(7) 游泳池、喷水池、浴池的水中照明设备;
(8) 安装在水中的供电线路和设备;
(9) 医院中直接接触人体的电气医用设备;
(10) 其它需要安装漏电保护器的场所。
2.2 报警式漏电保护器的应用
对一旦发生漏电切断电源时,会造成事故或重大经济损失的电气装置或场所, 应安装报警式漏电保护器, 如:
(1) 公共场所的通道照明、应急照明;
(2) 消防用电梯及确保公共场所安全的设备;
(3) 用于消防设备的电源, 如火灾报警装置、消防水泵、消防通道照明等;
(4) 用于防盗报警的电源;
(5) 其它不允许停电的特殊设备和场所。
使用区别
漏电保护器安装在分支线路出口处,而漏电保护插座安装在每个用电电器端,属于末端安装。安装维修更方便。
2、漏电时区别

漏电保护器原理图
漏电保护器当线路漏电时,由于是分支线路出口处安装,终端故障会导致整个支路断电家里没有电,而漏电保护插座,当支路上电器或线中漏电时,只是单支线线路不通电,电器无法工作。
3、接线保护区别
漏电保护器只有火线保护,而漏电保护插座带有火线、零线保护。
4、漏电电流和漏电脱扣时间区别:
漏电保护器 : I△n=30mA,动作时间0.1S ,漏电保护插座:I△n=6mA,动作时间0.025S。漏电保护插座,额定剩余漏电电流更小,更安全,对人体伤害小,快速脱扣。保护人的生命和财产安全。

漏电保护器(图1)
其适用范围是交流50HZ额定电压380伏,额定电流至250安。
低压配电系统中设漏电保护器是防止人身触电事故的有效措施之一,也是防止因漏电引起电气火灾和电气设备损坏事故的技术措施。但安装漏电保护器后并不等于绝对安全,运行中仍应以预防为主,并应同时采取其他防止触电和电气设备损坏事故的技术措施。
选用原则
国家为了规范漏电保护器的正确使用,相继颁布了《漏电保护器安全监察规定》(劳安字(1999)16号)和《漏电保护器安装与运行(GB13955-92)等一系列标准和规定。
依据这些标准和规定,我们在选用漏电保护器时应遵循以下主要原则:
1. 购买漏电保护器时应购买具有生产资质的厂家产品,且产品质量检测合格。在这里要提醒大家:市场上销售的漏电保护器有不少是不合格品。2002年10月28日,国家质检总局公布漏电保护器产品质量抽查结果,有20%左右的产品不合格,其主要问题为:有的不能正常分断短路电流,消除火灾隐患;有的起不到人身触电的保护作用;还有一些不该跳闸时跳闸,影响正常用电。
2. 应根据保护范围、人身设备安全和环境要求确定漏电保护器的电源电压、工作电流、漏电电流及动作时间等参数。
3. 电源采用漏电保护器做分级保护时,应满足上、下级开关动作的选择性。一般上一级漏电保护器的额定漏电电流不小于下一级漏电保护器的额定漏电电流,这样既可以灵敏地保护人身和设备安全,又能避免越级跳闸,缩小事故检查范围。
4. 手持式电动工具(除III类外)、移动式生活用家电设备(除III类外)、其他移动式机电设备,以及触电危险性较大的用电设备,必须安装漏电保护器。
5. 建筑施工场所、临时线路的用电设备,应安装漏电保护器。这是《施工现场临时用电安全技术规范》(JGJ46-88)中明确要求的。
6. 机关、学校、企业、住宅建筑物内的插座回路,宾馆、饭店及招待所的客房内插座回路,也必须安装漏电保护器。
7. 安装在水中的供电线路和设备以及潮湿、高温、金属占有系数较大及其他导电良好的场所,如机械加工、冶金、纺织、电子、食品加工等行业的作业场所,以及锅炉房、水泵房、食堂、浴室、医院等场所,必须使用漏电保护器进行保护。
8.固定线路的用电设备和正常生产作业场所,应选用带漏电保护器的动力配电箱。临时使用的小型电器设备,应选用漏电保护插头(座)或带漏电保护器的插座箱。
9. 漏电保护器作为直接接触防护的补充保护时(不能作为唯一的直接接触保护),应选用高灵敏度、快速动作型漏电保护器。
一般环境选择动作电流不超过30mA,动作时间不超过0.1s.,这两个参数保证了人体如果触电时,不会使触电者产生病理性生理危险效应。
在浴室、游泳池等场所漏电保护器的额定动作电流不宜超过10mA。
在触电后可能导致二次事故的场合,应选用额定动作电流为6mA的漏电保护器。
10. 对于不允许断电的电气设备,如公共场所的通道照明、应急照明、消防设备的电源、用于防盗报警的电源等,应选用报警式漏电保护器接通声、光报警信号,通知管理人员及时处理故障。
技术参数
主要动作性能参数有:额定漏电动作电流、额定漏电动作时间、额定漏电不动作电流。其他参数还有:电源频率、额定电压、额定电流等。
①额定漏电动作电流
在规定的条件下,使漏电保护器动作的电流值。例如30mA的保护器,当通入电流值达到30mA时,保护器即动作断开电源。
②额定漏电动作时间
是指从突然施加额定漏电动作电流起,到保护电路被切断为止的时间。例如30mA×0.1s的保护器,从电流值达到30mA起,到主触头分离止的时间不超过0.1s。
③额定漏电不动作电流
在规定的条件下,漏电保护器不动作的电流值,一般应选漏电动作电流值的二分之一。例如漏电动作电流30mA的漏电保护器,在电流值达到15mA以下时,保护器不应动作, 否则因灵敏度太高容易误动作,影响用电设备的正常运行。
④其他参数如:电源频率、额定电压、额定电流等,在选用漏电保护器时,应与所使用的线路和用电设备相适应。 漏电保护器的工作电压要适应电网正常波动范围额定电压,若波动太大,会影响保护器正常工作,尤其是电子产品,电源电压低于保护器额定工作电压时会拒动作。 漏电保护器的额定工作电流,也要和回路中的实际电流一致,若实际工作电流大于保护器的额定电流时,造成过载和使保护器误动作。
额定电流
正确合理地选择漏电保护器的额定漏电动作电流非常重要:一方面在发生触电或泄漏电流超过允许值时, 漏电保护器可有选择地动作;另一方面,漏电保护器在正常泄漏电流作用下不应动作,防止供电中断而造成不必要的经济损失。
漏电保护器的额定漏电动作电流应满足以下三个条件:
(1) 为了保证人身安全,额定漏电动作电流应不大于人体安全电流值,国际上公认不高于30 mA 为人体安全电流值;
(2) 为了保证电网可靠运行,额定漏电动作电流应躲过低电压电网正常漏电电流;
(3) 为了保证多级保护的选择性,下一级额定漏电动作电流应小于上一级额定漏电动作电流,各级额定漏电动作电流应有级差112~215 倍。
第一级漏电保护器安装在配电变压器低压侧出口处。
该级保护的线路长,漏电电流较大,其额定漏电动作电流在无完善的多级保护时,最大不得超过100mA;具有完善多级保护时,漏电电流较小的电网,非阴雨季节为75mA,阴雨季节为200mA,漏电电流较大的电网,非阴雨季节为100 mA,阴雨季节为300mA。
第二级漏电保护器安装于分支线路出口处,被保护线路较短,用电量不大,漏电电流较小。漏电保护器的额定漏电动作电流应介于上、下级保护器额定漏电动作电流之间, 一般取30~ 75 mA。
第三级漏电保护器用于保护单个或多个用电设备,是直接防止人身触电的保护设备。被保护线路和设备的用电量小,漏电电流小,一般不超过10mA,宜选用额定动作电流为30 mA,动作时间小于0.1 s 的漏电保护器。
接线方式
TN 系统是指配电网的低压中性点直接接地, 电气设备的外露可导电部分通过保护线与该接地点相接。
TN 系统可分为:
TN-S 系统 整个系统的中性线与保护线是分开的。
TN-C 系统 整个系统的中性线与保护线是合一的。
TN-C-S 系统 系统干线部分的前一部分保护线与中性线是共用的, 后一部分是分开的。
相线(英文LIVE)L 一般为红色或棕色(IEC体系)或黑色(UL体系)
中性线(英文NEUTRAL)N(中性线)一般为蓝色 (IEC体系)或白色(UL体系)
地线(英文EARTH) E 一般为黄色或黄绿色
运行维护

安装方法
除应遵守常规的电气设备安装规程外,还应注意以下几点:
1. 漏电保护器的安装应符合生产厂家产品说明书的要求。
2. 标有电源侧和负荷侧的漏电保护器不得接反。如果接反,会导致电子式漏电保护器的脱扣线圈无法随电源切断而断电,以致长时间通电而烧毁。
3. 安装漏电保护器不得拆除或放弃原有的安全防护措施,漏电保护器只能作为电气安全防护系统中的附加保护措施。
4. 安装漏电保护器时,必须严格区分中性线和保护线。使用三极四线式和四极四线式漏电保护器时,中性线应接入漏电保护器。经过漏电保护器的中性线不得作为保护线。
5. 工作零线不得在漏电保护器负荷侧重复接地,否则漏电保护器不能正常工作。
6. 采用漏电保护器的支路,其工作零线只能作为本回路的零线,禁止与其他回路工作零线相连,其他线路或设备也不能借用已采用漏电保护器后的线路或设备的工作零线。
7. 安装完成后,要按照《建筑电气工程施工质量验收规范(GB50303-2002)3.1.6条款,即“动力和照明工程的漏电保护器应做模拟动作试验”的要求,对完工的漏电保护器进行试验,以保证其灵敏度和可靠性。试验时可操作试验按钮三次,带负荷分合三次,确认动作正确无误,方可正式投入使用。
漏电保护器的安全运行要靠一套行之有效的管理制度和措施来保证。除了做好定期的维护外,还应定期对漏电保护器的动作特性(包括漏电动作值及动作时间、漏电不动作电流值等)进行试验,做好检测记录,并与安装初始时的数值相比较,判断其质量是否有变化。
在使用中要按照使用说明书的要求使用漏电保护器,并按规定每月检查一次,即操作漏电保护器的试验按钮,检查其是否能正常断开电源。在检查时应注意操作试验按钮的时间不能太长,一般以点动为宜,次数也不能太多,以免烧毁内部元件。
漏电保护器在使用中发生跳闸,经检查未发现开关动作原因时,允许试送电一次,如果再次跳闸,应查明原因,找出故障,不得连续强行送电。
漏电保护器一旦损坏不能使用时,应立即请专业电工进行检查或更换。如果漏电保护器发生误动作和拒动作,其原因一方面是由漏电保护器本身引起,另一方面是来自线路的缘由,应认真地具体分析,不要私自拆卸和调整漏电保护器的内部器件。
原创文章,作者:GLHBWP,如若转载,请注明出处:https://www.beidanyezhu.com/a/6672.html
微信扫一扫