隐蔽工程如何验收?各项隐蔽工程验收记录表,word格式直接套用
周日休息跟朋友外出闲聊时,说他不知道隐蔽工程如何验收,怎么记录,为此总工当着众人的面训斥了他,很是丢人。根据装修工序,这些“隐蔽工程”都会被后一道工序所覆盖,所以很难检查其材料是否符合规格、施工是否规范。
这里整理了一份完整版的各项工程隐蔽工程验收记录表,并且都是word电子版格式,可以直接下载拿来套用。
( 查看领取方式可直接到文末)

隐蔽工程如何验收?各项隐蔽工程验收记录表,word格式直接套用
隐蔽工程检查验收目录:
目的适用范围定义引用文件责任行动要求:隐蔽工程内部检查验收、隐蔽工程内业资料和工程实体检查内容、隐蔽工程缺陷处理、隐蔽工程的验收附录

隐蔽工程如何验收?各项隐蔽工程验收记录表,word格式直接套用
隐蔽工程验收申请表

隐蔽工程如何验收?各项隐蔽工程验收记录表,word格式直接套用
隐蔽工程验收记录(地基验槽、地基处理工程)

隐蔽工程如何验收?各项隐蔽工程验收记录表,word格式直接套用
隐蔽工程验收记录(地下防水、防腐工程)

隐蔽工程如何验收?各项隐蔽工程验收记录表,word格式直接套用
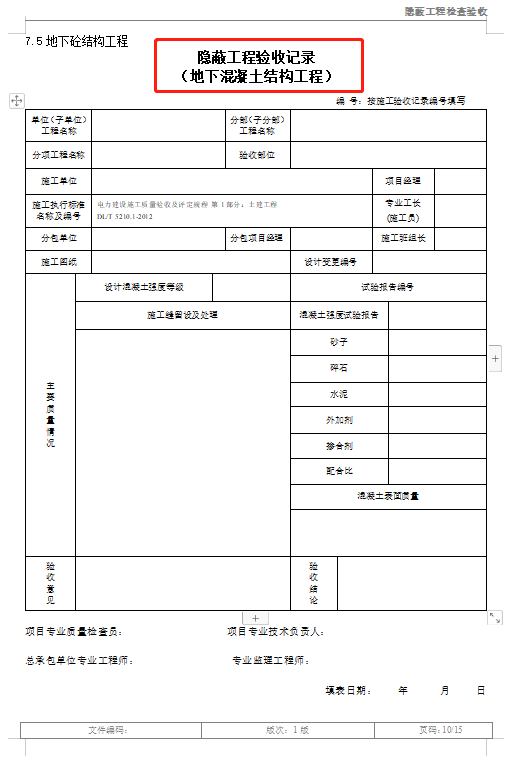
隐蔽工程验收记录(地下混凝土结构工程)

隐蔽工程如何验收?各项隐蔽工程验收记录表,word格式直接套用
隐蔽工程验收记录(钢筋工程)

隐蔽工程如何验收?各项隐蔽工程验收记录表,word格式直接套用
土建隐蔽工程会签单

隐蔽工程如何验收?各项隐蔽工程验收记录表,word格式直接套用
安装隐蔽工程会签单

隐蔽工程如何验收?各项隐蔽工程验收记录表,word格式直接套用
隐蔽工程与工程质量息息相关,不容忽视。隐蔽工程验收检查模板,Word版验收表格,验收难题轻松解决,内容丰富,可直接套用,十分便捷,建议工程人人手一份。

隐蔽工程如何验收?各项隐蔽工程验收记录表,word格式直接套用
原创文章,作者:HLILEK,如若转载,请注明出处:https://www.beidanyezhu.com/a/69474.html
微信扫一扫