
目 录
第一章 质量管理部职责描述
(一)质量管理部的工作职责
第二章 质量管理部组织管理
(一)质量管理工作计划表
(二)质量目标达成计划表
(三)质量教育年度计划表
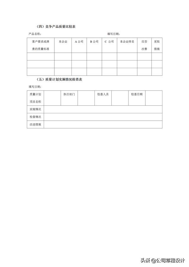
(四)竞争产品质量比较表
(五)质量计划实施情况检查表
第三章 质量方针与质量目标管理
(一)质量方针实施对策表
(二)质量方针实施评审表
(三)质量方针管理工作流程
(四)部门(车间)质量目标展开表
(五)质量目标管理统计月报表
(六)质量目标分解实施评审表
(七)质量目标管理工作流程
第四章 供应质量管理
(一)质量检验委托单
(二)进厂零件质量检验表
(三)零件质量检验报告表
(四)采购材料检验报告表
(五)材料试用检验通知单
(六)说明书质量检验报告
(七)采购设备检验报告单
(八)特采/让步使用申请单
(九)进厂检验情况日报表
(十)供应商基本资料表
(十一)供应商质量评价表
(十二)合格供应商考核表
(十三)供应商综合评审表
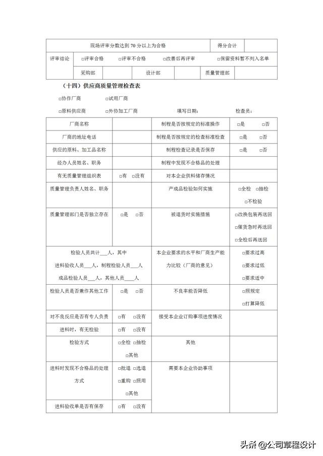
(十四)供应商质量管理检查表
(十五)进料检验工作流程
(十六)检验状态标识流程
(十七)供应商管理工作流程
第五章 制程质量管理
(一)制程作业检查表
(二)生产条件通知单
(三)生产事前检查表
(四)生产过程记录卡
(五)过程控制标准表
(六)产品质量标准表
(七)产品质量检验表
(八)质量因素变动表
(九)操作标准变更通知单
(十)生产过程检验标准表
(十一)产品质量抽查记录
(十二)制程质量管理工作流程
(十三)质量分析统计工作流程
(十四)质量指标报告工作流程
(十五)制程质量异常处理工作流程
(十六)工序质量分析表
(十七)工序质量评定表
(十八)工序质量跟踪卡
(十九)工序控制点明细表
(二十)工序质量审核记录表
(二十一)检验工序作业指导书
(二十二)工序质量检验评定表
(二十三)工序操作标准通知单
(二十四)工序质量异常报告表
(二十五)工序质量控制工作流程
(二十六)工序质量检验工作流程
第六章 质量检验管理
(一)试验委托单
(二)试验报告单
(三)检验通知单
(四)产品抽查汇总表单
(五)待出厂产品检验表
(六)产品出厂检验表单
(七)产品质量检验报告
(八)检验计划签审工作流程
(九)成品抽样检验工作流程
(十)成品入库送检工作流程
(十一)产品样件检验工作流程
(十二)工厂出货送检工作流程
第七章 质量控制管理
(一)质量管理标准表
(二)质量标准变动表
(三)产品质量管理表
(四)质量因素变动表
(五)质量控制管理工作流程
(六)质量标准制定工作流程
(七)质量记录控制工作流程
(八)质量管理小组资料登记表
(九)质量管理小组会议报告表
(十)质量管理小组活动计划表
(十一)质量管理小组活动记录表
(十二)质量管理小组活动报告表
(十三)QC小组活动成果评审表
(十四)质量管理小组组织建立流程
(十五)质量管理小组活动组织流程
(十六)清理和整理活动检查表
(十七)清理和整理效果检查表
(十八)清洁和保养活动检查表
(十九)清洁和保养效果检查表
(二十)素养活动检查表
(二十一)素养效果检查表
第八章 不合格品管理
(一)质量异常通知单
(二)质量异常报告单
(三)质量异常处理单
(四)不合格品审理单
(五)质量不良记录表
(六)质量不良分析表
(七)装配不良处理表
(八)产品退货统计表
(九)不良项目调查表
(十)产品返修通知单
(十一)不合格零件处理单
(十二)不合格现象预防表
(十三)不合格产品管理流程
(十四)不合格现象分析流程
(十五)报废品处理工作流程
(十六)质量处罚工作流程
(十七)预防措施工作流程
第九章 质量改进管理
(一)产品质量改进记录表
(二)产品质量改进分析表
(三)质量改进评审记录表
(四)质量改进结果记录表
(五)质量持续改进工作流程
(六)质量问题解决工作流程
第十章 质量成本管理
(一)质量预防费用统计表
(二)质量鉴定费用统计表
(三)质量内部故障统计表
(四)质量外部故障统计表
(五)质量成本统计报告表
(六)质量成本损失估计表
(七)质量改进费用汇总表
(八)质量培训费用计算表
(九)质量奖励费用计算表
(十)质量停工损失报告表
(十一)质量事故处理费用计算表
(十二)产品降级/降价处理报告表
(十三)车间质量管理费月报表
(十四)车间质量损失费月报表
(十五)质量成本管理工作流程
(十六)质量成本控制工作流程
第十一章 质量管理体系审核及建立
(一)质量管理体系审核计划表
(二)质量管理体系审核检查表
(三)质量管理体系审核报告表
(四)质量文件评审记录表
(五)质量文件发放回收表
(六)质量文件更改申请表
(七)质量文件销毁申请表
(八)过程业绩评审报告表
(九)纠正预防措施处理单
(十)质量文件记录清单
(十一)不符合项报告表
(十二)质量体系建立工作流程
(十三)质量体系文件管理流程
(十四)质量体系内审工作流程
(十五)质量体系运行工作流程
(十六)质量体系完善工作流程

































































































全站内容可编辑版打包,请点击下方“了解更多”
原创文章,作者:LOAJHQ,如若转载,请注明出处:https://www.beidanyezhu.com/a/2568.html
微信扫一扫